Get 5V Relay Module Schematic Images

Relay module 1 relay, 5v, 30a.

Get 5V Relay Module Schematic Images. This relay module has two channels (those blue cubes). 4 channel relay module schematic.

Temperature Controlled AC Home Appliances using Arduino ...
Temperature Controlled AC Home Appliances using Arduino ... from circuitdigest.com
And while ideal fets gates don't care about current, real. 2 relays are included in this module, with nc ports means normally connected to com and no ports means normally open to com. How to use relay to control high power load?

Today i played with a relay for the first time.

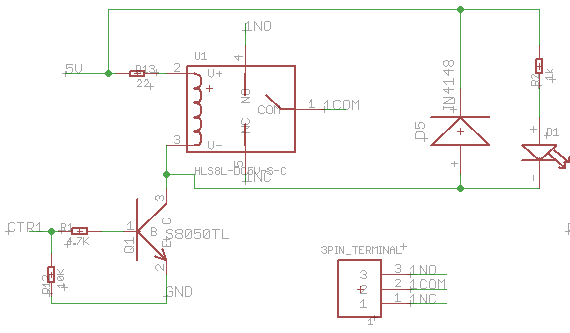
For better understanding let's see the circuit schematics of the relay module in this configuration. You can find a schematic on amazon. Today i played with a relay for the first time. 2 relays are included in this module, with nc ports means normally connected to com and no ports means normally open to com.