View Xiaomi Redmi 4A Schematic Diagram Pdf Pics

[schematic] xiaomi redmi 4a schematic.

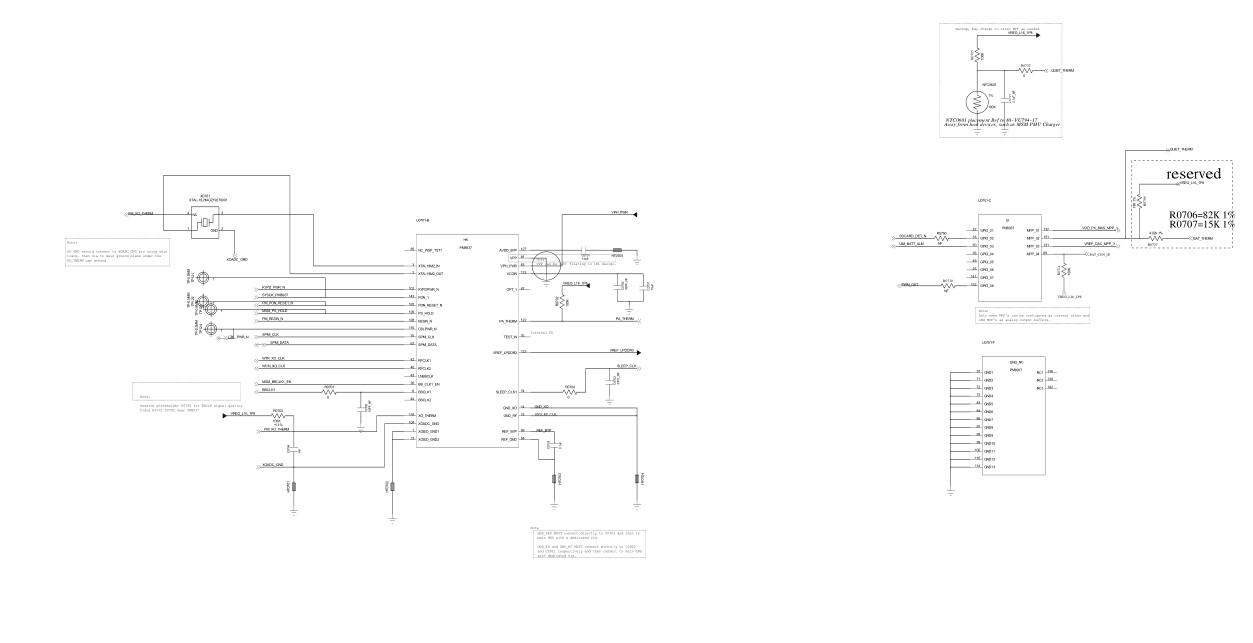
View Xiaomi Redmi 4A Schematic Diagram Pdf Pics. Xiaomi all model schematics / service manual/diagrams. Xaiomi redmi 4a schematics diagram service manual.

IMET Mobile Repairing Institute IMET Mobile Repairing Course
IMET Mobile Repairing Institute IMET Mobile Repairing Course from 1.bp.blogspot.com
Download diagram from imet mobile repairing institute we will provide more schematic diagram in future. Три pdf документа в архиве. Xiaomi all model schematics / service manual/diagrams.

Semoga bermamfaat untuk anda dalam melakukan perbaikan khususnya pada bagian hardware.

Schematic diagram xiomi redmi 4a = download. Semoga bermamfaat untuk anda dalam melakukan perbaikan khususnya pada bagian hardware. Xiaomi redmi 4a smartphone runs on android v7.1.2 (nougat). Circuit diagram bolck diagram or layout diagram, a circuit diagram shows the actual electrical connections.