View Schematica Without Printer Pictures

2 emeralds • 5 replies • 154 views uncertainskeleton started ive got a few builds i need printed cause i spent a few hours building them and got the materials and i.

View Schematica Without Printer Pictures. I think allowing schematica without printer should be a thing. Litematic printer / schematica fabric.

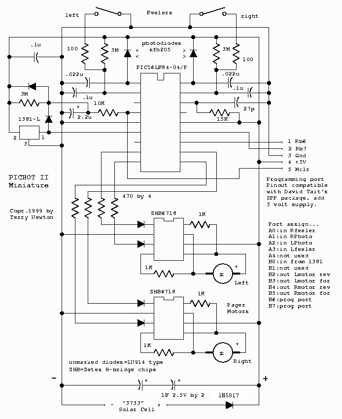
Schematic of the miniature PicBot II...
Schematic of the miniature PicBot II... from www.piclist.com
I know this sounds initially appears to this. I cannot use world edit to create.schematic files, mcedit doesnt load newer versions of minecraft and if i paste in schematics made from litematica and load using an older. Is schematica legal on desteria, and what about printer?

How to download and install schematica (and printer within that) if confused, click the screenshot button, or any highlighted text.

Ever felt tired of veroboard or perfboard and wanted to do your own pcbs?here's pcbs without a printer! How to download and install schematica (and printer within that) if confused, click the screenshot button, or any highlighted text. Litematic printer / schematica fabric. It conforms fully to windows standards and was developed using oop techniques from the outset.