View Schematic Drawing Help Pics

Understanding how to read and follow schematics is an important skill for any electronics engineer.

View Schematic Drawing Help Pics. Lots of electrical schematic examples and templates are provided to help you get started quickly. We recommend always drawing schematics that can be easily printed and reviewed on a standard there they are, the top 10 tips that can help you to draw your next schematic design like a pro!

Electro help: STR - 6707 - SMPS SCHEMATIC Circuit Diagram
Electro help: STR - 6707 - SMPS SCHEMATIC Circuit Diagram from 1.bp.blogspot.com
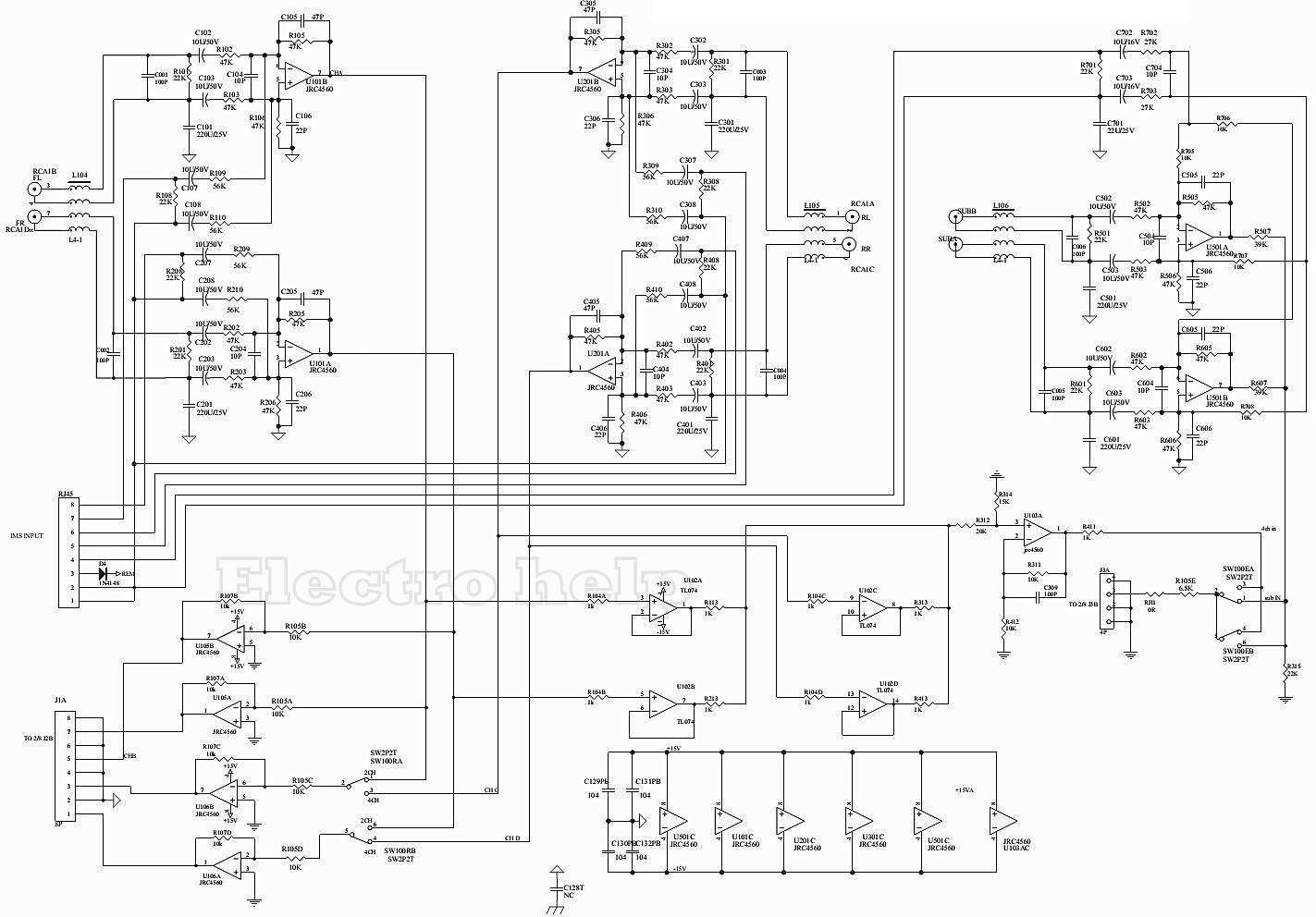
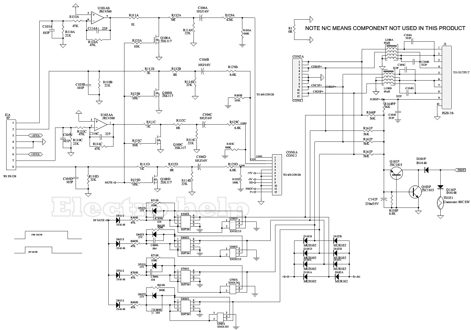
What are schematics schematics are kind of like a miniature world. A schematic, or schematic diagram, is a representation of the elements of a system using abstract, graphic symbols.and usually omits all details that are not relevant to the information the schematic. Understanding schematic drawings helps identify faulty components, troubleshoot systems, and a schematic drawing shows the order of components wired on a circuit, with wires between.

After you click on the draw wires.

Does anyone have any suggestions? Lots of electrical schematic examples and templates are provided to help you get started quickly. Easyeda supports the schematic diagram drawing frame required by custom. Does anyone have any suggestions?