Get Jsn-Sr04T Schematic Gif

R27 = open (no welding).

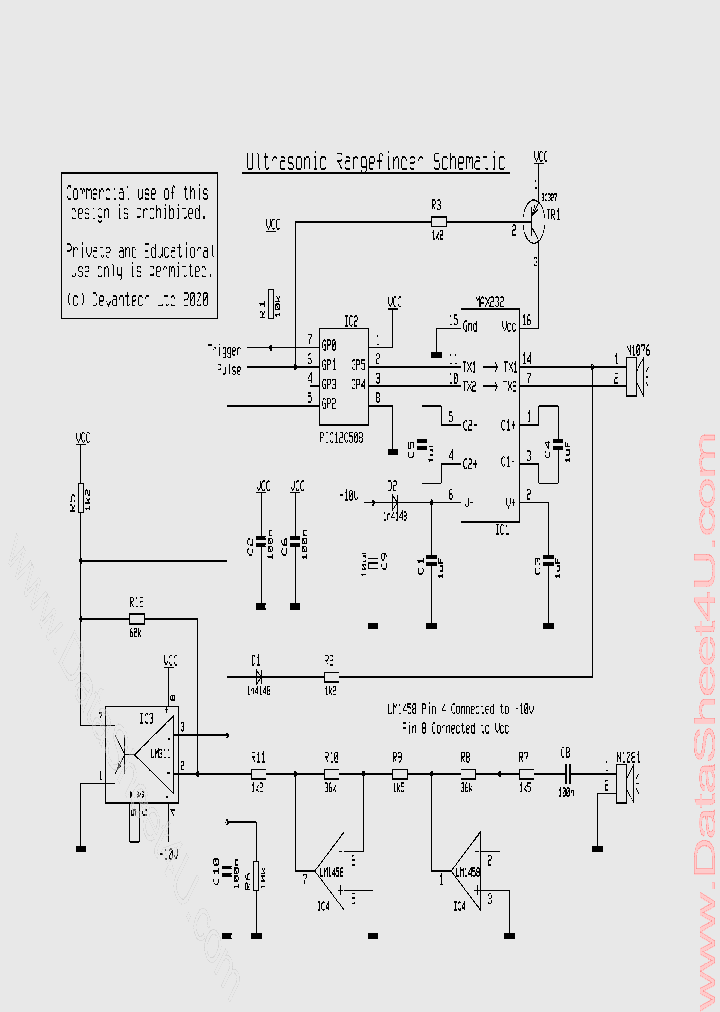
Get Jsn-Sr04T Schematic Gif. In this article, i have included a wiring. Module includes the transceiver of an integrated ultrasonic sensor and control circuit.

Wireless solar-powered liquid level sensor - ESP8266-based ...
Wireless solar-powered liquid level sensor - ESP8266-based ... from cdn.hackaday.io
The pattern is described below basic working principle Datasheet4u offers most rated semiconductors data sheet pdf. Module includes the transceiver of an integrated ultrasonic sensor and control circuit.

Simple electronics electronics basics hobby electronics electronics projects electronic schematics electronic devices arduino wireless radios receptor.

The pattern is described below basic working principle Module includes the transceiver of an integrated ultrasonic sensor and control circuit. The only really important thing to remember is that the electronics module is expecting to signal a time corresponding. R27 = open (no welding).