Download Battery Charger Schematic Diagram Pictures

1 cell buck converter schematic.

Download Battery Charger Schematic Diagram Pictures. Lithium ion battery charge block diagram. Battery charger circuit automatic battery charger electronic engineering electronic circuit electronics basics electronic schematics pcb board iphone hacks circuit diagram.

Compact 12 volt Battery Charger Circuit Using IC LM 338 ...
Compact 12 volt Battery Charger Circuit Using IC LM 338 ... from homemade-circuits.com
This is a 12v battery checker circuit that uses 3 leds that light up at their respective voltages. Electrical diagram, elementary diagram, electronic schematic) show how electronic components are connected together. This circuit is ideal for car use.

Simplified solar powered battery charger schematic.

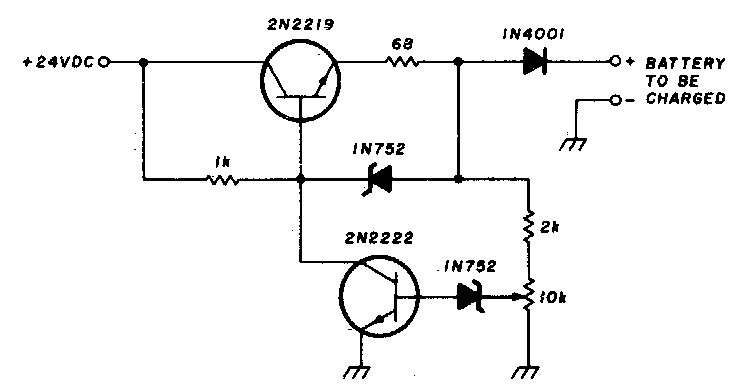
Automatic battery charger automatically starts the charging procedure when battery voltage drops below a certain predefined value and stops after the voltage has risen above the it should turn on the transistor, and load lipo battery cell when its voltage is >4.25v ive attached lipo saver schematic. Circuit diagram of the 12v battery absorb and float charger is shown in fig. Nicd battery chargers charging in one hour and even less are already widespread. Posted on feb 7, 2014.