50+ Schematic Diagrams Are Best Suited For Which Of The Following Pics

Schematic diagram or we can say that a way of representation of any components in a manner way.

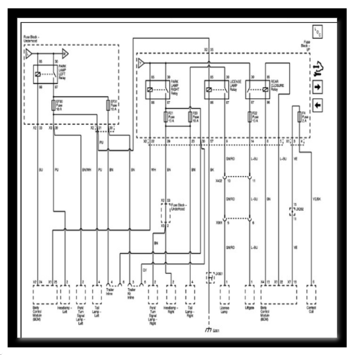
50+ Schematic Diagrams Are Best Suited For Which Of The Following Pics. And while you won't necessarily know how parts physically connect when drawing a. Furthermore, if there is a short lead between a component and a connection, the scale of the lead is exaggerated.

6.3. Probability Using Tree Diagrams and Combinations ...
6.3. Probability Using Tree Diagrams and Combinations ... from pressbooks.library.ryerson.ca
It will convey the original information without any complexity. Let's draw the above on a schematic diagram: The 'easy to follow' teaching style, practical knowledge, skills oriented make these courses ideal for students as well as corporate trainees.

Class diagrams are not only used to visualize the static view of the system but they are also used to construct the executable code for forward and reverse engineering of.

Functional location of components within a system. 3) which mechanism allocates the binary value to the states in order to reduce the cost of the combinational circuits? Schematic diagrams are best suited for which of the following? Let's draw the above on a schematic diagram: