46+ Arduino Uno Electrical Schematic Pics

In our last two posts, we focused on the software aspects of the arduino.

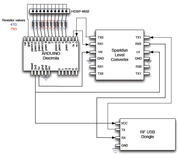
46+ Arduino Uno Electrical Schematic Pics. Schematic and input/output pins explain for arduino. The customer must not rely on the absence or characteristics of any features or instructions marked reserved or undefined. arduino reserves these for future definition and shall have no responsibility.

Using an ATtiny as an Arduino | Hey it's my blog...
Using an ATtiny as an Arduino | Hey it's my blog... from tronixstuff.files.wordpress.com
This reference design are provided as is & with all faults. Arduino may make changes to specifications and product descriptions at any time, without notice. This article explains how arduino works from an electronic design perspective.

In our last two posts, we focused on the software aspects of the arduino.

Complete kicad arduino uno r3 schematic and bom. Schematic and input/output pins explain for arduino. This is kind of a updated version of that. In our last two posts, we focused on the software aspects of the arduino.