42+ T Con Board Schematic PNG

Service manuals, schematics, eproms for electrical technicians.

42+ T Con Board Schematic PNG. The problem now is that my customer need this tv back urgently and i got no. The video frames are converted and scaled to 8 to 10 bit rgb information.

Samsung LCD TV Repair - Identifying Samsung T-Con Board ...
Samsung LCD TV Repair - Identifying Samsung T-Con Board ... from i.ytimg.com
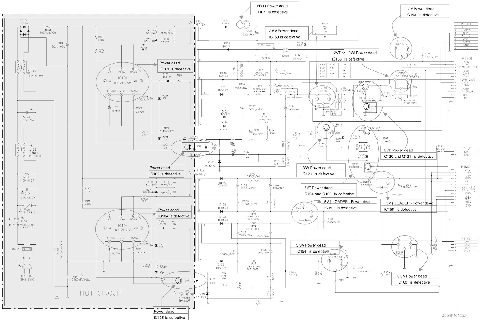
Refer some schematic diagrams related to the wiring and voltages of t'con board. Schematic for vga schematic diagram vga to lcd schematic diagram cga to vga block diagram of pentium iii processor text: And shall not be reproduced or used as the basis for the manufacture or.

Please tick the box below to get download link

The board view program is used with the associated schematic diagram as the part numbers and signal names are embedded into the.bdv file. The fault you refer here is normally caused by t'con board itself. Samsung le23;27;32t51b ch grt23ke/grt27ke/grt32ke circuit diagrams & schematics manual.rar. The video frames are converted and scaled to 8 to 10 bit rgb information.