42+ Schematic Diagram Vs Wiring Diagram Gif

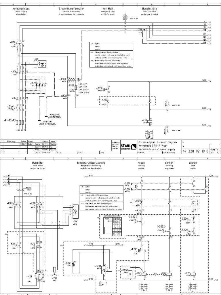
Schematic diagrams do not include details that are not necessary for comprehending the information that the diagram was intended to convey.

42+ Schematic Diagram Vs Wiring Diagram Gif. A wiring diagram is sometimes helpful to illustrate how a schematic can be realized in a prototype or production environment. Most troubleshooters prefer schematic diagrams.

AE92 Wiring Diagram Supp
AE92 Wiring Diagram Supp from imgv2-2-f.scribdassets.com
Unlike a pictorial diagram, a wiring diagram uses abstract or simplified shapes and lines to show components. A schematic diagram is a simplified representation of a system. Design circuits online in your browser or using the desktop application.

View our rv wiring diagram to understand how an rv electrical system works and the diference between ac and dc power.

For example, a switch will be a break in the line. Schematic diagrams break the wiring of control systems down into a(n) _ arrangement. Such schematics are often not to scale and use symbols rather than realistic images. Www.handymanpf.complease help support this channel via paypal so i can continue to improve and make quality videos and make product reviews to help save.