40+ Schematic Z40Hr Mb S0203-2 Images

5pack 1ft pink lightning cable,iphone chargers to usb a charging cable compatible with iphone 11 xs max xr x 8 plus 7 plus 6 plus.

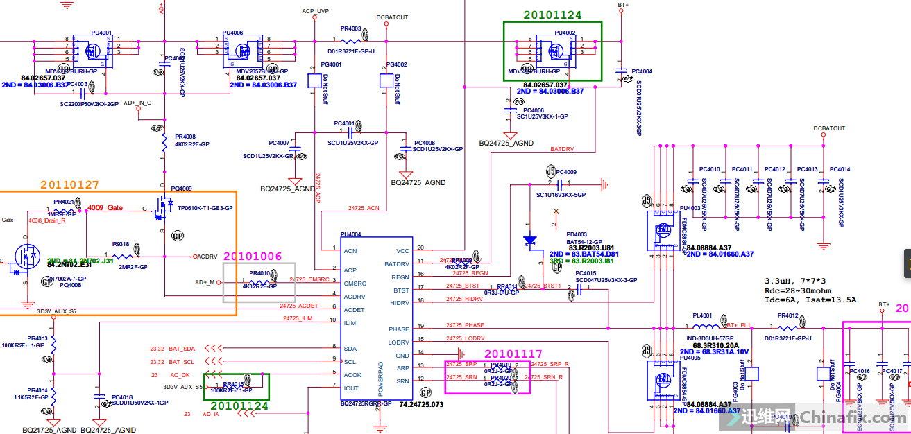
40+ Schematic Z40Hr Mb S0203-2 Images. Cần schematic con này ạ, loại main xài ic sạc 725, trên mạng toàn sche xài 745. Download not available 1.6 mb.pdf.

2020 VPCEG Series Motherboard For Sony MBX 250 Z40HR MB ...
2020 VPCEG Series Motherboard For Sony MBX 250 Z40HR MB ... from www.dhresource.com
5pack 1ft pink lightning cable,iphone chargers to usb a charging cable compatible with iphone 11 xs max xr x 8 plus 7 plus 6 plus. Cần schematic con này ạ, loại main xài ic sạc 725, trên mạng toàn sche xài 745. Con này đang bị lock nguồn đầu vào, đo chân acdet có 0.4v do 1 con diot bảo vệ kéo xuongs mass, gỡ ra thì lên 2.6v nhưng cũng ko mở nguồn => có sơ đồ may ra có hy vọng.

Start date apr 13, 2014.

Lexmark b221000 remanufactured toner cartridge for b2236, mb2236 1,200 pages. Cần schematic con này ạ, loại main xài ic sạc 725, trên mạng toàn sche xài 745. Download bios bin file,ec bios,schematics,board view,bios tools,laptop ic equivalent,data sheets,programmer software,unlock laptop bios password. Laptop & desktop motherboard schematics.