34+ Samsung B313 Keypad Schematic Diagram Images

We have 412 samsung diagrams, schematics or service manuals to choose from, all free to download!

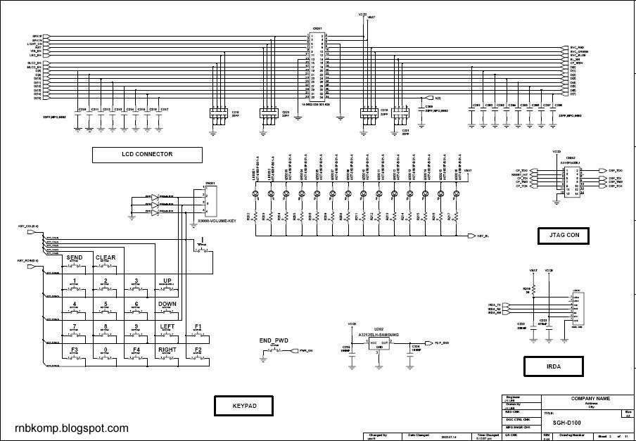
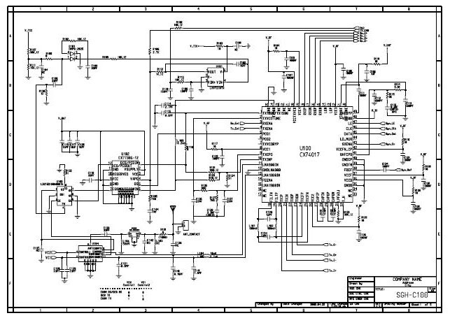
34+ Samsung B313 Keypad Schematic Diagram Images. You can download samsung schematic diagram and service manual free without register, schematic diagram makes it easy to repair a samsung smartphone because it contains complete instructions and curcuit this samsung schematic diagram was written in english and published in pdf file. Check/clean the keypad pcb matrix.

Full Body Housing for Samsung Metro B313 - Black - Maxbhi.com
Full Body Housing for Samsung Metro B313 - Black - Maxbhi.com from www.maxbhi.com
Searches related to samsung b313 keypad solution samsung b313 keypad solution uaclips samsung b313e keypad not working uaclips samsung e313d keypad ways samsung b313 keypad problem samsung b313e keypad samsung b313e key pad solution #samsung #keypadproblem. Samsung sgh x160b mobile phone disassembly service manual 13 mb. B100_service_manual b108_schem b130_service_schematics_rev0.3_efrcom b130_sm_schematics b2100_schem b2100_sm_schematics b220_sm_schematics.

Samsung np r25 plus pcb diagram.rar.

You can download samsung schematic diagram and service manual free without register, schematic diagram makes it easy to repair a samsung smartphone because it contains complete instructions and curcuit this samsung schematic diagram was written in english and published in pdf file. Samsung galaxy j2 power on off key button switch jumper ways. Tft samsung 151s(gh15ls) service manual. We have 412 samsung diagrams, schematics or service manuals to choose from, all free to download!