31+ Dvd Player Schematic Diagram PNG

Player connected to a tv via an hdmi interface.

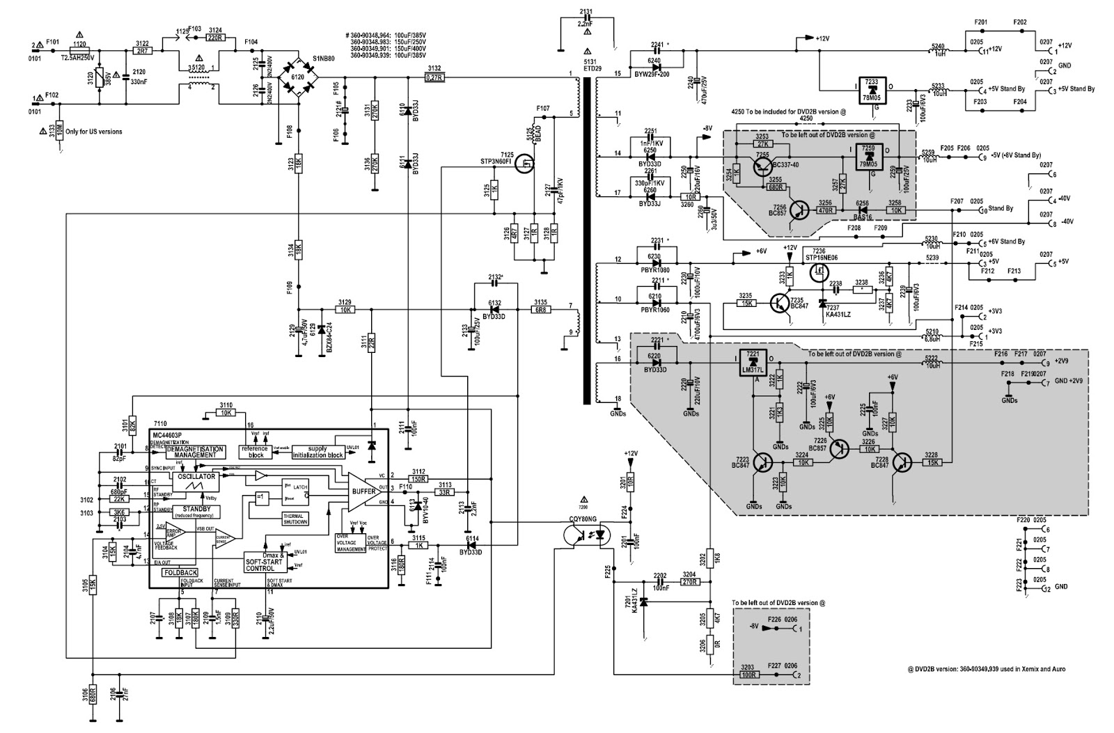
31+ Dvd Player Schematic Diagram PNG. Schematic diagram (searchable pdf) for iphone 6s /6s plus. Aiwa xddv500 dvd full service manual.

Philips DVDQ40 DVDQ50 Original DVD Player Service Manual ...
Philips DVDQ40 DVDQ50 Original DVD Player Service Manual ... from i.ebayimg.com
Take a look at the basic block diagram of how a dvd player works. Samsung, sanyo, saturn, sharp, sitronics, skyworth, sony, sven search on the page: Schematic diagram (searchable pdf) for iphone 6s /6s plus.

If your tv has power issues, consider i changed blu ray players and the problem persists.

I do not have this problem using the rca jacks with an older vcr / dvd player. I do not have this problem using the rca jacks with an older vcr / dvd player. Electronics service manual exchange : Ctrl+f (enter the name of the firm or digital value of the model) samsung dvd players schematic diagrams and service manuals.