24+ Simple Power Supply Schematic Diagram Gif

This article, complete with circuit schematic diagram and plans, shows you how.

24+ Simple Power Supply Schematic Diagram Gif. Simple circuit measures battery drain. A single power supply can provide as many as voltages as are required by using a voltage (or potential) divider, as illustrated in the figure.

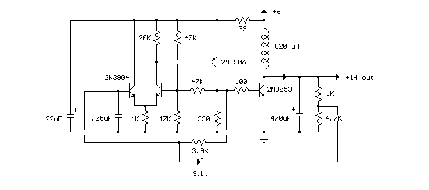
Simple Power Supply with 2 transistors | IC schematics
Simple Power Supply with 2 transistors | IC schematics from 1.bp.blogspot.com
Power factor correction circuit (pfc). The design of a simple opamp based power supply is not complex and utilizes ordinary parts such as ic lm324, a few bjts and other associated referring to the above proposed universal power supply circuit diagram, the functional details can be understood with the help of the flowing points Converting an ac output wall adapter to dc.

A single power supply can provide as many as voltages as are required by using a voltage (or potential) divider, as illustrated in the figure.

Model to chassis cross reference. Power factor correction circuit (pfc). Simple linear power supplies introduction. This variable power supply controlled with pic microcontroller.