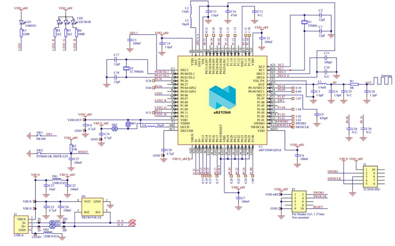
22+ Schematic Diagram Dongle PNG

The dongle can be plugged directly into your pc and can be used as an ieee 802.15.4 packet sniffer or for other purposes.

22+ Schematic Diagram Dongle PNG. .diagram of bluetooth schematic diagram bluetooth dongle bluetooth layout guide bluetooth antenna bluetooth development board schematic text: Wireless remote camera flash trigger schematic circuit diagram.

Usb To Rj45 Converter Schematic Diagram - Wiring Diagram
Usb To Rj45 Converter Schematic Diagram - Wiring Diagram from static-cdn.imageservice.cloud
I am searching and searching and i didnt find a correct working one till now. These aids in repairing the different. Easy draw schematic diagram is for iphone, ipad and anroid cell phone circuit board repair, instead of using usb dongle, easy drwa platform offers online bitmap and schematic diagram for iphone.

A circuit diagram (electrical diagram, elementary diagram, electronic schematic) is a graphical representation of an electrical circuit.

It supports circuit drawing, layout developing and circuit simulation. Home / xiaomi schematic diagrams. It is available for free download. Realme 3 service manual schematic diagram is a layout of symbols and connection of every electronic components circuit where serve as a guide on how the circuit function or work.